時間:2012-06-21 返回列表
溫馨提示:如果您對我們的產品、服務感興趣,或者有什么可以幫助您的,您可以點擊 在線咨詢與我們在線交談或者撥打我們的客服電話:0371-6777 2626
旋回破碎機的工作原理及構造雖然與顎式破碎機不同,但破碎過程卻相似,其區別僅是旋回破碎機的破碎過程是連續的,而破碎機的破碎過程是間斷的。因此,旋回破碎機的參數計算方法與顎式破碎機基本相同。
嚙角:旋回破碎機的嚙角a如圖3-6選取。由于旋回破碎機的入料塊度大,重量大,能夠克服破碎力的向上分力,因而在襯板上產生的滑動現象很少,基于這個原因,嚙角a可以選用比較大值,即使是嘴角增加很小,也會使機器的重量高度,成本降低很多。

為了減小作用在破碎錐上的破碎力的垂直分布,從而減輕破碎錐支承裝置的負荷,故a2應取小些,而a1應取大些,通常取a1=12-18度。
破碎錐的擺動行程:破碎錐的擺動行程s是指在排礦口平面內,破碎錐中心線的擺動量,它等于破碎錐中心線對機架中心線在該平面內的偏心距r的二倍。設計時按破碎機的規格及貨代料尺寸選擇行程數值,一般為22-44mm,如s值過小,會使生產率顯著下降,s值過大,則使功率消耗增加和排礦粒度加大。
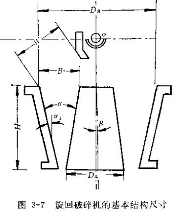
基本結構尺寸的確定:旋回破碎機的基本結構尺寸如圖3-7所示。

為給礦口的寬度,其他各部尺寸均依此進行計算。w=1.05B,它限制了懸掛點O的位置。固定錐上部直徑通常是在給礦口的平面上測量,其經驗公式為:Db=(2.6--2.8)Bmm
破碎錐的擺動次數:旋回破碎機破碎腔的斷面形狀和排礦過程與顎式破碎機相同,故其破碎錐的擺動次數可按顎式在上述機的方法確定。目前實際選用的旋回破碎機的工作轉數大約比用理論公式算出來的小百分之三十五到百分之五十,產生差別的原因,在于推導該公司時沒有考慮破碎機中排出時所需要的各阻力,破碎機的工作轉數對機器的生產率有很大的影響。在一定范圍內,生產率隨著轉數的增高而增大,轉數增高,電動機功率消耗亦有所增加,但物料的單位功耗卻降低了。
生產率:旋回破碎機生產率的理論計算公式可按顎式破碎機的方法進行推導。理論計算公式只可作定性研究之用,由于其誤差較大,實際上多采用經驗公式計算。旋回破碎機功率的計算方法與顎式破碎機功率的計算方法相似。由于理論計算公式與實際相差很大,所以確定旋回破碎機的功率通常采用經驗公式。